// Case Studies

ZetaCADD's Success Stories

Discover how ZetaCADD has transformed businesses with innovative CAD and design solutions. Our case studies highlight real-world challenges, creative problem-solving, and measurable results, showcasing our commitment to excellence in engineering services.

static displacement

Crafting a Durable and Stylish Nested Sofa Frame Using Pine Wood for an Australian Client

The Client sought a functional and aesthetically pleasing sofa that complements modern Australian homes, balancing durability with a sleek, minimalist design.

Detailed view of modular center pole sections for a spiral staircase

Spiral Staircase Product Development for The Iron Shop

To develop a new spiral stair product line that is fabrication-ready, installer-friendly, producible at scale, and easily assembled by end users. 

3D model of a robotic welding jig for a baler chassis

Robotic Welding Jig & Fixture for Baler Manufacturing

To improve the precision and efficiency of their robotic welding process for assembling the main chassis frame, top and bottom doors, and door closer assemblies.

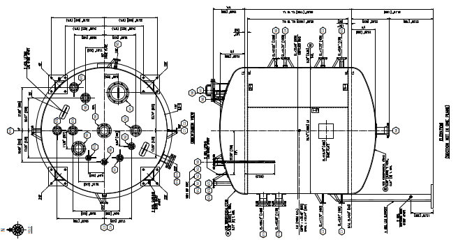
Diagram showing internal heating/cooling coils and multi-nozzle configuration on a pressure vessel

Pressure Vessel Design Calculation & Technical G.A. Drawings

Complete engineering design of a vertical pressure vessel (distillation column reflux tank) for use in their chemical process facility.

001 FRAME, Business Case Studies

Frame fixture for Welding Ease in Pylon Signage Fabrication

To design and implement a robust frame fixture that simplifies the welding process during the fabrication of large pylon signage, improving both efficiency and safety on the shop floor.

1 1, Business Case Studies

Custom U-Shaped Banquette & Trophy Display for a renowned Golf Club

The Golf Club sought a bespoke joinery solution that seamlessly integrated a U-shaped banquette with an elegant trophy display unit.

Metal Frame Modular Building Design for a New Zealand-Based Fabricator.

Metal Frame Modular Building Design for a New Zealand - Based Fabricator

Developed 3D models and fabrication drawings for a modular metal frame building, ensuring structural integrity, transportability, and efficient assembly​.

Development of NEMA Electric Enclosures for a USA Based Metal Fabricator 11, Business Case Studies

Development of NEMA Electric Enclosures for a USA-Based Metal Fabricator

Designed 3D models and fabrication-ready drawings for NEMA-compliant enclosures, ensuring precision, durability, and manufacturing efficiency​.

Advertising Kiosk Design and Manufacturing Drawing for UK Based Kiosk Manufacturer1 2, Business Case Studies

Advertising Kiosk Design and Manufacturing Drawing for UK - Based Kiosk Manufacturer

Created scalable 3D models and manufacturing drawings for an advertising kiosk, ensuring aesthetic design, durability, and compliance with safety standards​.

Our Mission
"Empower our clients through cutting-edge engineering solutions that enhance efficiency, ensure safety, and drive success in every project we undertake."
We are committed to delivering outstanding service, applying our deep industry knowledge and technical expertise to meet and exceed every client's expectations.
Our Vision
"To be at the forefront of engineering innovation, transforming challenges into opportunities and building a sustainable future for all."
Our vision is to lead the industry by embracing the latest technologies and pioneering new solutions that make a significant impact on the world around us.
Our Philosophy
"Innovation through collaboration—uniting the brightest minds to solve complex problems and achieve exceptional results."
We believe in the power of teamwork and open communication, fostering a collaborative environment where creative ideas and unique perspectives are actively encouraged and valued.
Our Strategy
"Focus on continuous improvement, invest in our people, and embrace adaptive methodologies to stay ahead in a rapidly evolving industry."
Our strategy is built on the foundation of lifelong learning, adaptability, and proactive growth. By continually advancing our skills and adapting to changes, we aim to maintain our competitive edge and deliver superior value to our clients.